青青草直播,青青草视频免费在线观看,青青草黄色在线视频,青青草视频偷拍网站

    您好,歡迎訪問淄博青青草直播水處理設備有限公司~
    聯係青青草直播

    石英砂青青草视频免费在线观看器施工依據及流程

    點擊次數:   更新時間:23/03/21 16:56:03     來源:www.denaxiangsu.com關閉分    享:

      石英砂青青草视频免费在线观看器一般做為反滲透設備以及超濾設備的預處理,主要是對泥沙,膠體,金屬離子以及有機物進行截留,吸附。那麽石英砂青青草视频免费在线观看器能隨隨便便就安裝嗎?答案當然是不能的。如果想要安裝石英砂青青草视频免费在线观看器,需要按照一些標準來規範施工。接下來由小編為大家列出。

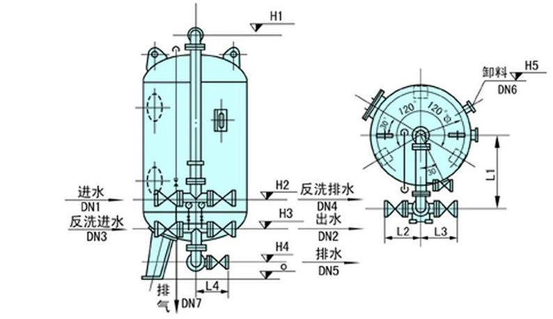
    石英砂青青草视频免费在线观看器原理圖

      1、《建築防腐蝕工程施工及驗收標準》
      2、《工業建築防腐設計規範》
      3、《建築防腐蝕工程質量檢驗評定標準》
      4、《塗裝前剛才表麵鏽蝕等級和除鏽等級》
      5、《GB8923-1988》
      遵守上述施工標準後,石英砂青青草视频免费在线观看器的施工流程是怎樣的呢?
      首先進行施工準備。在施工之前技術負責人需要仔細的熟悉圖紙與施工方式,安排下屬施工員的工作同時對施工人員進行技術交底和技術交流,同時檢驗施工人員的操作合格證一切準備完畢以後方可讓設備進場。值得一提的是施工之前要額外注意的是現場一定要備有:施工臨時設施、施工材料、檢測儀器、施工電源以及備用電源、消防器材等物品。
      其次是施工流程。石英砂青青草视频免费在线观看器儲罐抵達現場後要事先對儲罐的表麵進行防腐塗料的處理。這個是一定不能缺少的步驟,如果提前塗抹防腐塗料,在運輸過程中不免會有磕碰,所以建議是直接到現場進行塗抹,然後將提前預備好的儲罐的底座進行檢測,通過膩子找平的方式對罐底進行操作,確保平整度與平行度不會影響到罐體導致石英砂青青草视频免费在线观看器罐體有傾斜,並且要確保罐體表麵清潔幹淨,包括罐體表麵的油汙都要清理幹淨。
      然後上述安裝的注意事項。儲罐底座跟罐體處理完畢以後使用吊車將吊索纏繞在吊耳直傷這裏要注意的一點是吊耳上麵不可以有任何空虛避免脫鉤,吊裝的時候吊車底下禁止站人,然後吊裝完畢將石英砂青青草视频免费在线观看器儲罐緩慢的吊向底座然後用螺旋將底座固定完好固定的時候采用對角固定的方式進行確保儲罐的平整性固定完畢以後開始進行抗震係數檢測如果檢測沒有任何問題在開始連接管道等部件檢測牢靠以後就可以注水測試了,測試無誤以後靜待24小時如果未出現任何的泄露問題則可以直接進行使用。
      以上就是石英砂青青草视频免费在线观看器施工依據及其流程,嚴格遵守施工依據和按照流程安裝,有利於產品的使用和穩定發展。
    聯係青青草直播

    淄博青青草直播水處理設備有限公司
    聯係人:王經理  
    手機:18653361868 /18853329868  
    電話:0533-6823296    
    傳真:0533-6800776   
    QQ : 1075901862   
    Email:shengda6823296@163.com 
    地址:淄博市周村區南郊鎮永和村工業園(興魯大道南首)
    青青草直播水處理
    網站地圖